| De la | Preț |
|---|---|
| 6 M | 16.61 |
| 12 M | 15.92 |
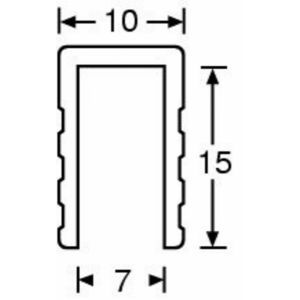
Profilul Adam Hall 6200 este un profil de rack din aluminiu, proiectat pentru construcția și ranforsarea carcaselor tip flight case, a rack-urilor și a proiectelor custom unde este necesară o muchie rigidă și precisă. Datorită inserției de 7 mm și a grosimii materialului de 1,5 mm, oferă stabilitate bună și o potrivire corectă cu panouri și accesorii compatibile.
Finisajul este natural, fără strat de acoperire, în culoare argintie, ceea ce îl face potrivit atât pentru aplicații tehnice, cât și pentru integrare estetică în construcții profesionale. Se livrează în bare de 2 metri, iar prețul este calculat per 1 metru, pentru o planificare ușoară a materialelor.
Acest profil este recomandat pentru realizarea marginilor și ghidajelor în rack-uri, precum și pentru protecția și rigidizarea panourilor la cutii de transport pentru echipamente audio, lumini sau instrumente. Dimensiunile compacte (lățime 10 mm, înălțime 16,5 mm) permit montajul în spații înguste, păstrând totodată o rezistență mecanică bună.
Cu o greutate de 153 g/metru, profilul oferă un raport eficient între rigiditate și masă, util în proiecte unde greutatea totală contează. Inserția de 7 mm și adâncimea de inserție de 15 mm ajută la aliniere și la o prindere stabilă a elementelor compatibile.
| Material | Aluminium |
| Acoperire | None |
| Culoare | Silver (argintiu) |
| Lungime | 2.000 mm (bară) |
| Lățime | 10 mm |
| Înălțime | 16,5 mm |
| Grosime material | 1,5 mm |
| Grosime inserție | 7 mm |
| Adâncime inserție | 15 mm |
| Greutate | 153 g/m |
Se vinde în bare de 2 metri, iar prețul afișat este per 1 metru. Pentru comenzi, calculează necesarul ținând cont de lungimea barei și de pierderile la debitare, în funcție de proiect.
Adam Hall 6200
| Dimensiune | 7mm |
| Lungime | 2 m |
Profil
În stocProfil
În stocProfil de inchidere aluminiu 7mm
În stocProfil aluminiu 25x25
În stocProfil aluminiu 35x35
În stocProfil
În stocProfil
În stocProfil
În stocProfil de inchidere aluminiu 9.5mm
În stocProfil
În stocProfil
În stoc
Adam Hall 6126









